產品分類
打印當前頁產品描述
- 簡介
- 技術參數
- 產品尺寸
概述
FKN12-12D和FKN12-12DR組合電器是額定電壓12kV、額定頻率50Hz的三相高壓開關設備用于分合負荷電流、閉環(huán)電流、空載變壓器和電纜充電電流、關合短路電流、熔斷器組合電器可開斷短路電流,配裝接地開關的負荷開關,可以承受短路電流,主要用于三相環(huán)網或終端供電的市區(qū)配電站和工業(yè)用電設備中,作負荷控制和短路保護作用。
型號及含義

主要技術參數

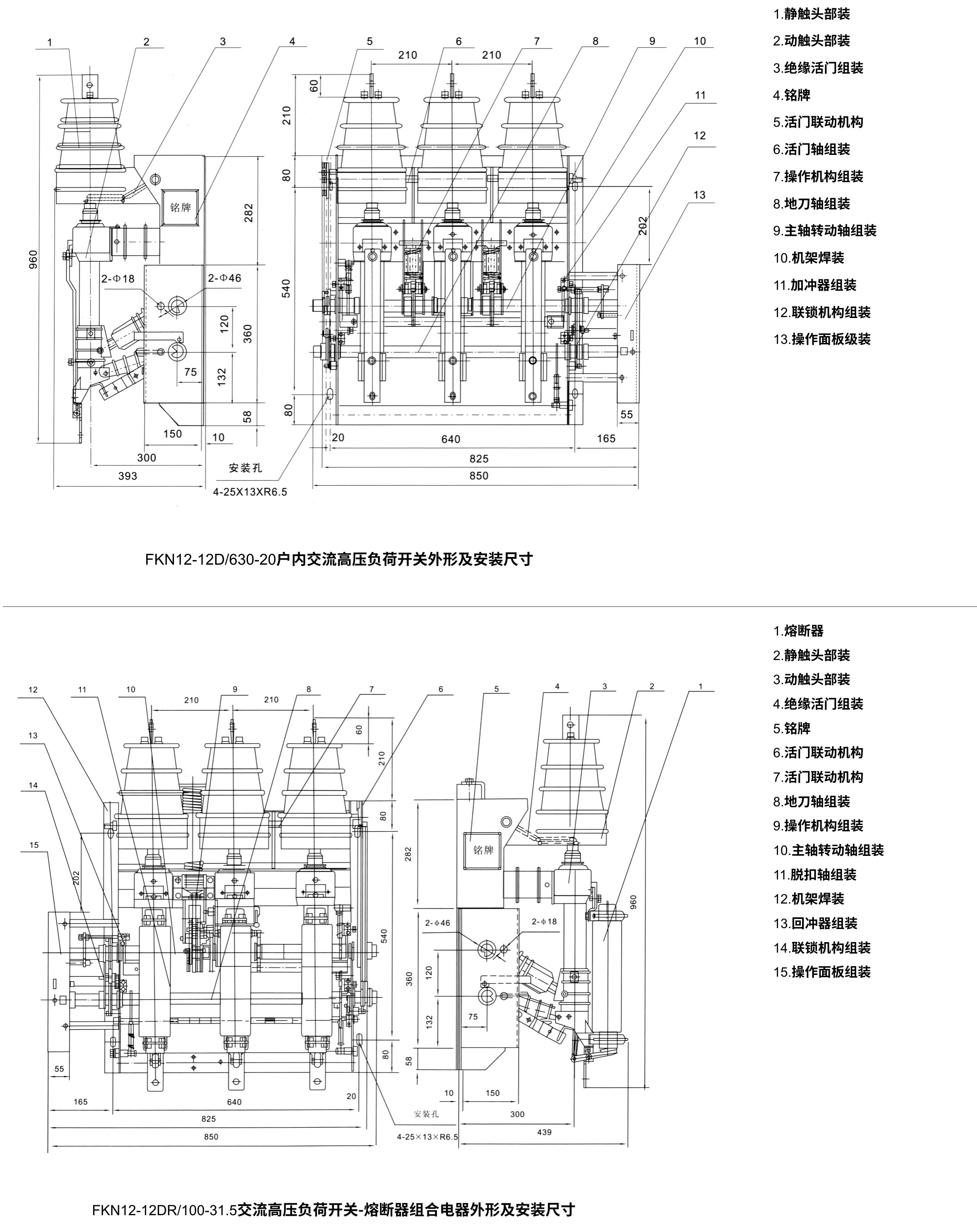
外型及安裝尺寸


中文
ENGLISH
郵箱:
網址:
全國統(tǒng)一服務熱線








